5PIN/7PIN lighting controller base and cover for smart lighting control
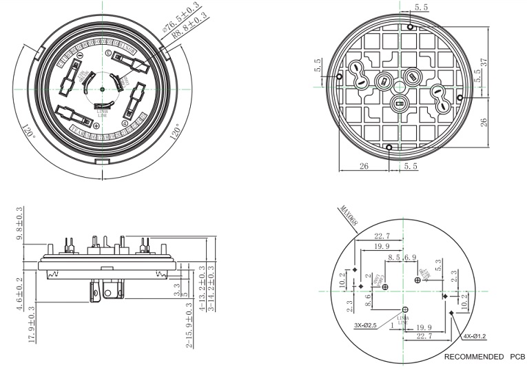
The lighting controller base and cover for smart lighting controlThis product conforms to ansi136.41 standard, the 76mm diameter dimming light controller base assembly and upper covercan provide the overall power and signal interface between th
This product conforms to ansi136.41 standard, the 76mm diameter dimming light controller base assembly and upper cover
can provide the overall power and signal interface between the light control unit and the dimming socket.
The interface is suitable for LED outdoor road, street and area lighting applications.
Order Information:
KLS20-LT100D-7P-100MM
Base: 5P-5 Pins 7P-7 Pins
Cover Height: 80mm,100mm,130mm
Cover :
● Height: 80mm; 100mm; 130mm (or customized height)
● Rated Voltage: 480VAC(Max)
● Load Rated: Max current 15A
● Operating Temperature: -40℃ to +70℃
Dome:
● Cover materials: PC, UL 94-V0
● Window: optional
Cover size: ● Height: 80mm; 100mm; 130mm (or customized height)

Base:
● 5 Pins (2 PADs): 2 dimming/signal contacts
● 7 Pins (4 PADs): 4 dimming/signal contacts
● Materials of main body: PBT in black, UL 94-V0
● Base Gasket: silicone rubber. (Optional)
5 pin size:

7 pin size:

|