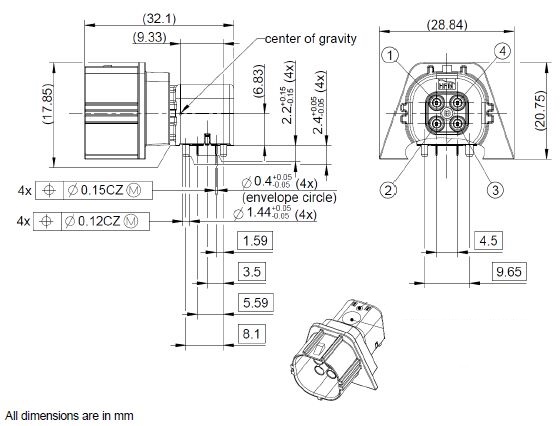
insulator: LCP
Housing: PA4T
Body shell: Zinc alloy
Impedance: 50Ω
Frequency: DC to 9GHz
Return Loss:
≥ 12dB, DC to 9GH z
≥ 20dB, DC to 6GHz
Insertion Loss: ≤0.1x√f(GHz) dB
Insulation resistance: ≥100 MΩ
Center Contact Resistance: ≤24mΩ
Outer Contact Resistance: ≤6mΩ
Test Votage: 800Vrms
Working Votage: 60V DC
Power Current: ≤1A DC
RF-leakage(Optional): ≤-60dB up to 10GHz
Mating Cycles: ≥25
Retention Force Latch: ≥110N
Temperature Range: -40°C TO +105°C
Order information:
KLS1-MINI-FAKRA06-A-9005-1
Card slot direction: A=Up
RAL=9005,9001,5005,4004
Size-1,2,3,4...
-------------------------------------------------------------------------------------
SIZE 1:
