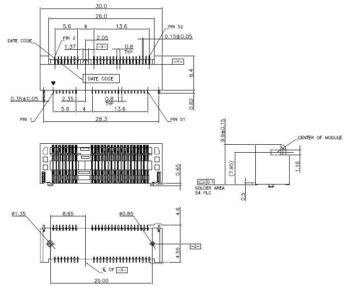
0.8mm Pitch Mini PCI Express connector 52P,Height 9.9mm
Order Information
KLS1-PCI06-H9.9-G0
Height: 9.9mm
Plating: G0=Gold flash G1U=Gold 1u" G3U=Gold 3u" G30U=Gold 30u"
Material
Housing:Thermoplastic,High temp,UL94V-0,Black.
Contacts:Copper Alloy.
Pegs:Copper Alloy.
Finish:
Contacts:Selected Gold Plating on the contact area,1u" Min.Gold Plating on the soldertails.50u" Min.Nickel Under Plating over all.
Pegs:120u" Min.Matte-Tin over 50u" Min,Nickel.

|